The following list contains the aeronautical radio beacons that were active in the Federal Republic of Germany in 1958/59. All information is outdated and may not be used for navigational purposes.
At that time, civil route navigation was still mainly based on Non-Directional Beacons (NDBs) and some Ranges. However, various VORs have already been put into operation, some of which are still in test operation, such as Dortmund VOR. The ident of the enroute radio beacons still starts with a "D", e.g. Augsburg DIJ, Bartelsdorf DHO. This principle is given up in the following years, the beacons receive then identifications, which are based on the place names.
Each airport has a runway equipped with an instrument landing system.
In the military aviation, the Luftwaffe air bases and the airfields of the French and Canadians have Non-Directional Beacons (NDB). The US Air Force also uses NDBs, but in Hahn and Spangdahlem temporary VORs have been installed and in Giebelstadt, Hahn and Spangdahlem the first TACAN systems have been put to service. At bases of the Royal Air Force (RAF), in addition to NDBs, the typical RAF systems Eureka and BABS are also available.
Special features:
- Independent Eureka radio beacon in Brekendorf, probably operated by the RAF. Possibly a replacement for Schleswig after this site was handed over to the German Navy.
- Racon in Erding. Although the airfield has already been handed over to the German Air Force, the Racon could still be operated by the US Air Force.
Title image: Lufthansa Convair CV-440 D-ACEX and CV-340 D-ACEF. Source: ETH-Bibliothek Zürich, Bildarchiv / Fotograf: Furrer, Bernhard / SIK_02-07-0113, License: CC BY-SA 4.0
Radio beacons and airways in 1959

Schleswig-Holstein - northern part (bottom) (Source: US DoD)

Border to the Netherlands (Source: US DoD)

Enlargement: RAF airfields Laarbruch, Brüggen, Wildenrath at the bottom right (Source: US DoD)

Bremen, Hamburg, Hannover, Berlin (Source: US DoD)

Enlargement: Berlin - In addition to the airfields of the Western Allies at Gatow, Tegel and Tempelhof, also the fields at Dallgow and Schönefeld in the Soviet occupation zone (GDR) are marked. The location of the Schoenefeld radio beacons is probably incorrect. The dotted circle marks Berlin control zone, in which Western Allied aircraft can move freely up to an altitude of 10,000 feet. The shaded areas on the left are the three air corridors to Berlin. (Source: US DoD)

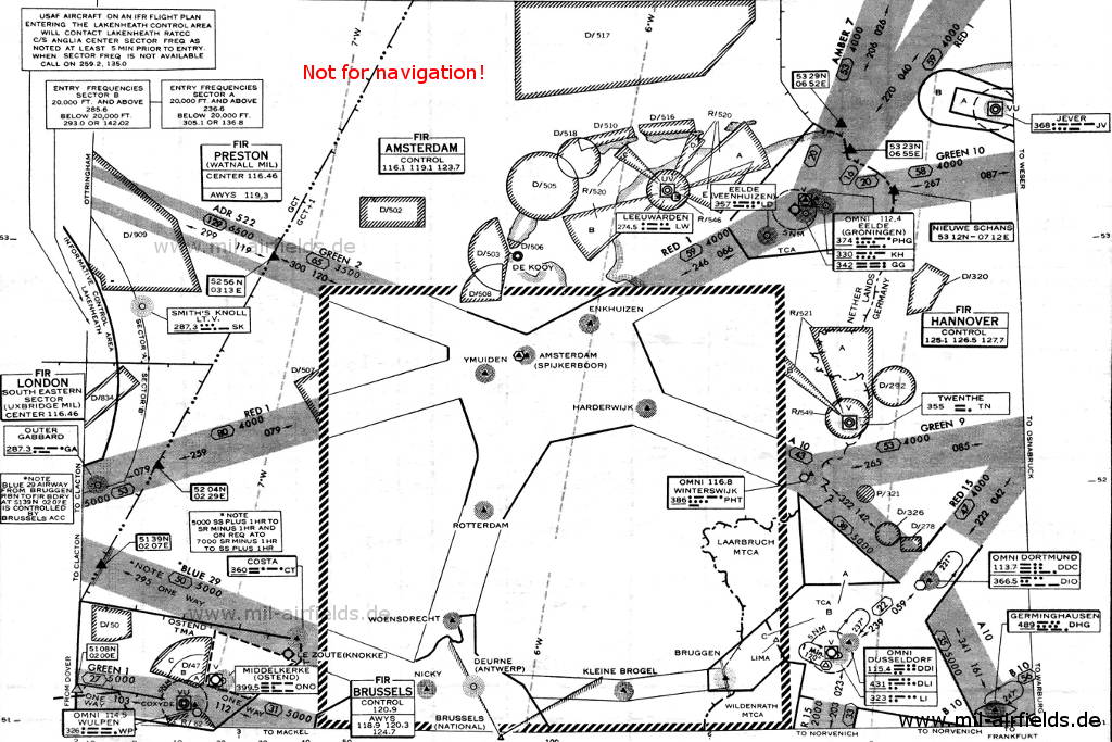
Border to the Netherlands, Belgium and Luxembourg (Source: US DoD)

Area Cologne/Bonn, Eifel, Frankfurt/M - Die Luftstraße "Red 10" als Verlängerung des südlichen Korridors zwischen den Funkfeuern Mansbach und Fulda ist mit 18 Seemeilen in der Breite des Korridors ausgeführt und damit deutlich breiter als die sonst üblichen 10 Seemeilen. (Source: US DoD)

Pfalz, Mannheim/Heildeberg, Stuttgart, Baden (Source: US DoD)

Bayreuth area with airway RED 11 to Czechoslovakia (Source: US DoD)

Area Nuremberg, Munich (Source: US DoD)

Border to Czechoslovakia and Austria (Source: US DoD)

Border to Switzerland and Austria (Source: US DoD)

Border to Austria (Source: US DoD)
Explanations

Abbreviations
approx. | approximately | |
civ | civil | civil operator |
GP | Glide path | Glide path transmitter |
ILS | Instrument Landing System | (Approach and landing aid) |
IM | Inner Marker | Marker beacon just in front the runway |
kHz | Kilohertz | (Unit for frequency) |
L | Locator | Non-directional beacon for the approach |
LLZ | Localizer | Localizer transmitter |
LMM | Locator Middle Marker | Combination of Middle Marker and Locator |
LOM | Locator Outer Marker | Combination of Outer Marker and Locator |
m | Meter | (Unit for length) |
MHz | Megahertz | (Unit for frequency) |
mil | military | military operator |
MM | Middle Marker | Marker beacon |
NDB | Non-directional beacon | Non-directional beacon on long or medium waves |
NM | Nautical Miles | (Unit for length) |
OM | Outer Marker | Marker beacon |
PRMG | ПРМГ Посадочная радиомаячная группа | Soviet / russian military instrument landing system |
RSBN | РСБН Rадиотехническая система ближней навигации | Soviet / russian military radio navigation system |
SBA | Standard Beam Approach | Approach system, Lorenz system, predecessor of the ILS |
THR | Threshold | Runway threshold (most often with number of runway) |
transf. | transformed | Coordinates were converted from a different reference system, therefore there may be deviations. |
VAR | Visual-Aural Rnange | |
VOR | VHF Omnidirectional Radio Range | |
W | Watt | (Unit for power) |
WGS84 | World Geodetic System 1984 | (geospatial reference system, GPS coordinates) |
Operator
Directory
For historical information only, do not use for navigation or aviation purposes!
Ahlhorn: Air Base (RAF Ahlhorn)
Ahlhorn: NDB (GAF)
N525255 E0081403 (WGS84, transf.)
Google MapsAN, 282 kHz, 30 W
Operated H24.
Ammersee: Fan MarkerN480013 E0111236 (WGS84, transf.)
Google MapsD, 75 MHz
Operated H24.
Frieding
Augsburg: Fan MarkerN482327 E0104741 (WGS84, transf.)
Google Maps4 Dashes, 75 MHz
Operated H24.
Hainhofen
Augsburg: NDBN482320 E0104735 (WGS84, transf.)
Google MapsDIJ, 315 kHz
Operated H24.
Hainhofen
Bartelsdorf: NDBN530725 E0092936 (WGS84, transf.)
Google MapsDHO, 330 kHz
Operated H24.
Bayreuth: NDBN495652 E0113306 (WGS84, transf.)
Google MapsDHH, 301.5 kHz
Operated H24.
Bitburg: Air Base
Runway 24:
Bitburg: NDB (USAF)
N4959 E00640 (approx.), 240°/4.6 NM to field
Google MapsDHB, 220 kHz, 400 W
Operated H24.
For historical information only, do not use for navigation or aviation purposes!
Breitenbach: NDB (USAF)
N4925 E00715 (approx.)
Google MapsBI, 416 kHz, 50 W
Operated H24.
Brekendorf: Eureka (RAF?)
N5426 E00938 (approx.)
Google MapsSC, 225R/235T MHz
Bremen: Airport
Runway 27:
Bremen: LLZ 27N530247 E0084625 (WGS84, transf.)
Google MapsDLE, 110.9 MHz
Operated H24.
Bremen: GP 27N530243 E0084803 (WGS84, transf.)
Google Maps330.8 MHz
Glide path 2.8°. Operated H24.
Bremen: NDB/OMN530257 E0085431 (WGS84, transf.), 272°/3.75 NM to THR 27
Google MapsNDB: DLE, 346.5 kHz
Outer Marker: Dashes, 75 MHz
Operated H24.
Hemelingen
Bremen: LN530251 E0084916 (WGS84, transf.), 272°/0.6 NM to THR 27
Google MapsLE, 296
Operated H24.
Bremen: MMN530251 E0084918 (WGS84, transf.), 272°/0.6 NM to THR 27
Google MapsDashes Dots, 75 MHz
Operated H24.
Bremgarten: Air Base
Bremgarten: NDB (FAF)
N4754 E00737 (approx.)
Google MapsMR, 430 kHz, 250 W
Operated from sunrise-30 until sunset + 45, other times on request 12 hours.
Brüggen: Air Base (RAF Bruggen, Elmpt Station, Javelin Barracks)
Brüggen: BABS (RAF)
Brüggen: NDB (RAF)
N511233 E0060734 (WGS84, transf.)
Google MapsBG, 357 kHz
Located at field. Operated H24.
Brünkendorf: RangeN530409 E0112409 (WGS84, transf.)
Google MapsDHI, 378 kHz
The four predefined legs were: 085°A, 175°N, 265°A and 355°N. Operated H24.
Höhbeck-Vietze
Büchel: Air Base
Runway 21:
Büchel: NDB (GAF)
N501616 E0070808 (WGS84, transf.)
Google MapsZK, 420 kHz, 45 W
Test operations. Operated Monday to Friday from sunrise-30 until sunset, Saturday sunrise-30 until 1200.
Monreal Polcher Holz
For historical information only, do not use for navigation or aviation purposes!
Charlie: NDBN495750 E0090009 (WGS84, transf.)
Google MapsDLO, 370 kHz
Operated H24, on test.
Babenhausen
Dinkelsbühl: NDB/Fan MarkerN490941 E0101059 (WGS84, transf.)
Google MapsNDB: DIN, 256.5 kHz
Fan Marker: N, 75 MHz
Operated H24.
Leukershausen
Dortmund: NDBN513558 E0072311 (WGS84, transf.)
Google MapsDIO, 366.5 kHz
Operated H24.
Waltrop-Brockenscheidt
Dortmund: VORN513552 E0072325 (WGS84, transf.)
Google MapsDDC, 113.7 MHz
Operated intermittently on test.
Waltrop-Brockenscheidt
Düsseldorf: Airport
Düsseldorf: VORN511659 E0064513 (WGS84, transf.)
Google MapsDDI, 115.4 MHz
At field.
Runway 06:
Düsseldorf: OM 06N511427 E0064013 (WGS84, transf.), 057°/3.85 NM to THR 06
Google MapsDashes, 75 MHz
Meerbusch-Büderich
Runway 24:
Düsseldorf: LLZ 24N511643 E0064501 (WGS84, transf.)
Google MapsDLI, 109.9 MHz
Operated H24.
Düsseldorf: GP 24333.8 MHz
Operated H24.
Düsseldorf: NDBN512053 E0065327 (WGS84, transf.), 236°/5.27 NM to THR 24
Google MapsDLI, 431 kHz
Operated H24.
Ratingen-Breitscheid
Düsseldorf: OM 24N511959 E0065158 (WGS84, transf.), 237°/4.0 NM to THR 24
Google MapsDashes, 75 MHz
Operated H24.
Ratingen-Lintorf
Düsseldorf: LMM 24N5118 E00648 (approx.), 237°/0.65 NM to THR 24
Google MapsLocator: LI, 323 kHz
Middle Marker: Dots Dashes, 75 MHz
Operated H24.
Erding: Air Base (Erding Air Depot)
Erding: RaconN4819 E01156 (approx.)
Google Maps2-1-2-1, 9310 MHz
Located at field.
Runway 26:
Erding: NDB (GAF)
N482024 E0120342 (WGS84, transf.), 261°/3.7 NM to field
Google MapsRD, 338 kHz, 50 W
Operated H24.
Ottering
Faßberg: L (GAF)
N525024 E0101000 (approx.)
Google MapsFA, 240, 100 W
Operated Monday to Friday from 0600 to 1600, Saturday from 0600 to 1100, Sundays on request.
Feldberg: Racon (USAF)
N5014 E00826 (approx.), 207°/12.24 NM to Wiesbaden Air Base
Google Maps2-2, 9310 MHz
Atop the Feldberg mountain. Operated continously.
For historical information only, do not use for navigation or aviation purposes!
Frankfurt/M: Rhein/Main Air Base, Airport
Frankfurt/M: VORN500216 E0083349 (WGS84, transf.), 041°/0.2 NM to field
Google MapsDDF, 112.1 MHz
Transmission of airport weather. Operated H24.
Runway 25R:
Frankfurt/M: LLZ 25RN500201 E0083257 (WGS84, transf.)
Google MapsDLF, 109.5 MHz
Operated H24.
Frankfurt/M: GP 25RN500251 E0083526 (WGS84, transf.)
Google Maps332.6 MHz
Glide path 2.7°. Operated H24.
Frankfurt/M: NDBN500409 E0084126 (WGS84, transf.), 254°/3.93 NM to THR 25R
Google MapsDLF, 297 kHz, 100 W
Operated H24.
Frankfurt/M: OM 25RN500409 E0084125 (WGS84, transf.), 254°/3.93 NM to THR 25R
Google MapsDashes, 75 MHz
Operated H24.
Frankfurt/M: Range/Z MarkerN500317 E0083901 (WGS84, transf.), 262°/2.25 NM to THR 25R
Google MapsRange: DIF, 349 kHz
Z Marker: 75 MHz
Operated H24.
Frankfurt/M: LMM 25RN500301 E0083637 (WGS84, transf.), 254°/0.65 NM to THR 25R
Google MapsLocator: LF, 240 kHz, 100 W
Middle Marker: Dots Dashes, 75 MHz
Operated H24.
Freising: Range/Z MarkerN482212 E0113433 (WGS84, transf.)
Google MapsRange: DHA, 310 kHz
Z Marker: 75 MHz
The four predefined courses to the Range were 003°A, 097°N, 183°A and 291°N. There are splits on inbound track 291° (M) in northern direction. Operated H24.
Fahrenzhausen-Appercha
Fulda: Range/Z MarkerN503413 E0093646 (WGS84, transf.)
Google MapsRange: DHF, 315 kHz
Z Marker: 75 MHz
The four predefined courses to the Range were 050°A, 164°N, 230°A and 344°N. Operated H24.
Fulda: VORN503426 E0093655 (WGS84, transf.)
Google MapsDDL, 112.9 MHz
Operated intermittently on test.
Trätzhof
Fürstenfeldbruck: Air Base (Fürstenfeldbruck Airfield)
Fürstenfeldbruck: NDB (GAF)
N481326 E0110855 (WGS84, transf.), 107°/22.7 NM to München-Riem
Google MapsFF, 478 kHz, 400 W
Operated H24.
Geilenkirchen: Air Base (RAF Geilenkirchen, Teveren)
Geilenkirchen: NDB (RAF)
N5058 E00603 (approx.)
Google MapsGK, 453 kHz, 200 W
Located at field. Operated Monday, Tuesday, Thursday and Friday from 0715 to 1100, Wednesday, Saturday from 0715 to 1100. Maintenance period Friday from 0730 to 1600.
Germinghausen: NDB/Fan MarkerN5104 E00746 (approx.)
Google MapsNDB: DHG, 489 kHz
Fan Marker: G, 75 MHz
Operated H24.
Giebelstadt: Air Base, Army Airfield AAF
Giebelstadt: NDB (USAF)
N4939 E00958 (approx.)
Google MapsGB, 325 kHz, 50 W
Located at field. Operated H24.
Giebelstadt: TACAN (USAF)
074°/1.28 NM to field
GB, CH47
For historical information only, do not use for navigation or aviation purposes!
Grafenwöhr: Army Air Field (Grafenwöhr AAF)
Grafenwöhr: NDB (US Army)
N4942 E01157 (approx.)
Google MapsGF, 284 kHz, 50 W
Located at field. Operated Monday to Friday from 0700 to 1600, Saturday from 0700 to 1100; other times on 60 minutes request.
Gütersloh: Air Base (RAF Gutersloh)
Gütersloh: BABS (RAF)
Gütersloh: Eureka (RAF)
N5156 E00819 (approx.)
Google MapsGS, 213T/223R MHz
Gütersloh: Eureka (RAF)
N5156 E00819 (approx.)
Google MapsGS, 235T/230R MHz
Gütersloh: NDB (RAF)
N5156 E00819 (approx.)
Google MapsGS, 439 kHz, 200 W
Located at field. Operated H24.
Hahn: Air Base
Hahn: TACAN (USAF)
217°/6.4 NM to field
AH, CH24
Located at field.
Hahn: VOR (USAF)
AH, 113.0 MHz
Runway 22:
Hahn: NDB (USAF)
N500151 E0072042 (WGS84, transf.), 217°/6.4 NM to field
Google MapsAH, 482 kHz, 75 W
Operated H24.
Between Haserich and Leideneck
Hamburg: Fuhlsbüttel Airport
Hamburg: VORN533746 E0095932 (WGS84, transf.)
Google MapsDDH, 113.1 MHz
Located at field. Operated H24.
Runway 05:
Hamburg: OM 05053°/4.02 NM to THR 05
2 Dots, 1 Dash, 1 Dot, 75 MHz
Operated H24.
Runway 23:
Hamburg: LLZ 23N533715 E0095807 (WGS84, transf.)
Google MapsDLH, 110.1 MHz
Operated H24.
Hamburg: GP 23334.4 MHz
Glide path 3°. Operated H24.
Hamburg: NDBN534115 E0100605 (WGS84, transf.), 233°/4.9 NM to THR 23
Google MapsDLH, 365 kHz, 500 W
Operated H24, Maintenance period from 0600 to 0700.
Hamburg: OMN534035 E0100454 (WGS84, transf.), 234°/3.9 NM to THR 23
Google MapsDashes, 75 MHz
Operated H24.
Hamburg: LMMN533829 E0100037 (WGS84, transf.), 233°/0.53 NM to THR 23
Google MapsLocator: HF, 343 kHz
Middle Marker: Dots-Dashes, 75 MHz
Operated H24. NDB "HF" is operated alternatively to Locator "HH" on the same frequency, depending on the runway in use.
Runway 34:
Hamburg: LN533722 E0100009 (WGS84, transf.), 337°/0.26 NM to THR 34
Google MapsHH, 343
Locator "HH" is operated alternatively to NDB "HF" on the same frequency, depending on the runway in use.
Hannover: Langenhagen Airport
Runway 28:
Hannover: LLZ 28N522719 E0094022 (WGS84, transf.)
Google MapsDLA, 109.5 MHz
Operated H24.
Hannover: GP 28332.6 MHz
Glide path 2.75°. Operated H24.
Hannover: NDB/OMN522704 E0094854 (WGS84, transf.), 276°/3.8 NM to THR 28
Google MapsNDB: DLA, 395 kHz
Outer Marker: Dashes, 75 MHz
Operated H24.
Hannover: LMMN522713 E0094340 (WGS84, transf.), 276°/0.6 NM to THR 28
Google MapsLocator: HV, 320 kHz
Middle Marker: Dots-Dashes, 75 MHz
Operated H24.
Hausen: Fan MarkerN505112 E0092742 (WGS84, transf.)
Google Maps4 Dashes, 75 MHz
Operated H24.
Oberaula-Hausen
Hehlingen: LLZN522127 E0105145 (WGS84, transf.)
Google MapsDIO, 109.9 MHz
Courses 088°/268°, blue indication north, yellow indication south. Operated H24.
This localizer was not located at an airport, but was used as a navigation aid in the central corridor to Berlin.
Hehlingen: NDBN522249 E0105101 (WGS84, transf.)
Google MapsDIQ, 403.5 kHz
Operated H24.
Hehlingen: VARN522139 E0105152 (WGS84, transf.)
Google MapsDID, 110.3
Courses: 054°, 234° visual; 144°, 324° aural; blue indication north, yellow indication south; N-keying east, A-keying west. Operated H24.
For historical information only, do not use for navigation or aviation purposes!
Heidelberg: Army Air Field AAF (Army Heliport AHP, Pfaffengrund)
Runway 08:
Heidelberg: NDB (US Army)
N4923 E00836 (approx.), 085°/1.9 NM to field
Google MapsHB, 382.5 kHz, 75 W
Operated H24.
Helgoland: NDBN541054 E0075257 (WGS84, transf.)
Google MapsDHE, 397.2 kHz
Operated H24.Maintenance period daily from 0600 to 0700.
Herrenberg: NDBN483654 E0085043 (WGS84, transf.)
Google MapsDHP, 401 kHz
Operated H24.
Kuppingen
Illertissen: NDB (GAF)
N481327 E0100656 (WGS84, transf.), 092°/46.3 NM to Fürstenfeldbruck airfield
Google MapsFI, 467 kHz, 50 W
Operated H24.
Illesheim: Army Air Field AAF (Storck Barracks, Army Heliport AHP)
Illesheim: NDB (US Army)
N4928 E01023 (approx.)
Google MapsIL, 250 kHz, 50 W
Located at field. Operated Monday to Saturday from 0700 to 1600.
Jever: Air Base (Upjever, RAF Jever, Schortens)
Jever: Eureka (RAF)
N5332 E00753 (approx.)
Google MapsJV, 230R/225T MHz
Located at field.
Jever: NDB (RAF)
N5332 E00753 (approx.)
Google MapsJV, 368 kHz, 300 W
Located at field. Operated Monday to Friday from 0700 to 1600, Saturday from 0700 to 1100.
Kaufbeuren: Air Base
Kaufbeuren: NDB (GAF)
N4752 E01037 (approx.), 116°/0.22 NM to field
Google MapsKM, 436 kHz, 100 W
Operated Monday to Saturday from 0700 to 1600.
For historical information only, do not use for navigation or aviation purposes!
Kempten: NDB/Fan MarkerN474414 E0102005 (WGS84, transf.)
Google MapsNDB: DIM, 298 kHz, 50 W
Fan Marker: R, 75 MHz
Operated H24.
Kirn: NDBN495054 E0072227 (WGS84, transf.)
Google MapsDHK, 392 kHz
Operated H24.
Bundenbach
Kirn: VORN495201 E0072211 (WGS84, transf.)
Google MapsDDK, 117.5 MHz
Operated H24, on test.
Between Rhaunen and Hausen
Köln-Bonn: Airport (Cologne, Wahner Heide, RAF Wahn)
Runway 25:
Köln-Bonn: LLZ 25N505134 E0070715 (WGS84, transf.)
Google MapsDLW, 109.1 MHz
Operated H24.
Köln-Bonn: GP 25331.4 MHz
Glide path 3°. Operated H24.
Köln-Bonn: OM 25N505354 E0071505 (WGS84, transf.), 250°/4.04 NM to THR 25
Google MapsDashes, 75 MHz
Operated H24.
Köln-Bonn: NDBN505341 E0071416 (WGS84, transf.), 250°/3.48 NM to THR 25
Google MapsDLW, 294 kHz
Operated H24.
Köln-Bonn: LMMN505224 E0071004 (WGS84, transf.), 250°/0.53 NM to THR 25
Google MapsLocator: LW, 279.5 kHz
Middle Marker: Dots-Dashes, 75 MHz
Operated H24.
König: NDB/Fan MarkerN494544 E0090528 (WGS84, transf.)
Google MapsNDB: DLK, 435 kHz, 100 W
Fan Marker: M, 75 MHz
Operated H24.
Haingrund, approx. 6 km northeast of Bad König
Laarbruch: Air Base (RAF Laarbruch, Goch, Weeze, Niederrhein)
Laarbruch: BABS (RAF)
Laarbruch: Eureka (RAF)
N5136 E00608 (approx.)
Google MapsLL, 233R/213T MHz
Located at field.
Laarbruch: NDB (RAF)
N5136 E00607 (approx.)
Google MapsLL, 406 kHz
Located at field. Operated from sunrise-30 to sunset+30.
Lahr: Air Base (Base aérienne 139, Canadian Forces Base CFB Lahr, Langenwinkel)
Lahr: NDB (FAF)
N482127 E0074827 (WGS84, transf.), 011°/0.2 NM to field
Google MapsLR, 450 kHz, 250 W
Operated H24.
Lahr: NDB (FAF)
N4827 E00756 (approx.)
Google MapsLH, 460 kHz, 350 W
Operated from 0800 to 1800, except Saturdays, Sundays and holidays.
Landsberg/Lech: Air Base (Penzing)
Runway 07:
Landsberg: NDB (GAF)
N480313 E0104851 (WGS84, transf.), 077°/3.2 NM to field
Google MapsLQ, 448 kHz, 50 W
Operated H24.
For historical information only, do not use for navigation or aviation purposes!
Lauffen: Fan MarkerN490726 E0091013 (WGS84, transf.)
Google MapsL, 75 MHz
Operated H24.
Between Heilbronn and Lauffen am Neckar
Lechfeld: Air Base (Klosterlechfeld, Graben)
Runway 03:
Lechfeld: NDB (GAF)
033°/3.8 NM to field
LC, 288.5 kHz
Operated on test.
Lima: NDB/Fan MarkerN5122 E00624 (approx.)
Google MapsNDB: DF, 311 kHz
Fan Marker: 75 MHz
Operated on test.
Near Kempen
Limburg: Fan MarkerN502558 E0081939 (WGS84, transf.)
Google Maps4 Dashes, 75 MHz
Operated H24.
Aulenhausen
Mansbach: VARN504629 E0095428 (WGS84, transf.)
Google MapsDIM, 110.9
Courses: 055°, 235° visual, 145°, 325° aural. Operated H24.
Between Mansbach and Soisdorf
Marxheim: NDB (USAF)
N5004 E00825 (approx.), 260°/3.0 NM to Wiesbaden Airfield
Google MapsMX, 320 kHz, 50 W
Operated H24. Giebelstadt NDB interfereing in northwestern quadrant.
Memmingen: Air Base (Memmingerberg, Memmingen Airport, Allgäu Airport)
Runway 06:
Memmingen: NDB (GAF)
N475921 E0101308 (WGS84, transf.), 063°/4.5 NM to field
Google MapsMK, 284 kHz
Operated on test in irregular intervals.
For historical information only, do not use for navigation or aviation purposes!
Metro: NDBN501648 E0085111 (WGS84, transf.), 219°/17.0 NM to Frankfurt Rhein/Main airport
Google MapsDHN, 289 kHz, 100 W
Operated H24.
Between Bönstadt and Erbstadt
Michaelsdorf: NDBN541838 E0110260 (WGS84, transf.)
Google MapsDHM, 338 kHz, 150 W
Operated H24.
Modau: NDBN494726 E0084427 (WGS84, transf.), 341.5°/16.2 NM to Frankfurt Rhein/Main airport
Google MapsDLP, 310 kHz, 100 W
Operated H24.
Munich: Riem Airport (München, Munich Old Airport)
Runway 25:
München: LLZ 25N480737 E0114103 (WGS84, transf.)
Google MapsDLM, 109.5 MHz
Operated H24.
München: GP 25N480755 E0114225 (WGS84, transf.)
Google Maps332.6 MHz
Glide path 2.8°. Operated H24.
München: VORN481050 E0114858 (WGS84, transf.), 241°/5.2 NM to THR 25
Google MapsDDM, 112.5 MHz
Operated H24.
Bei Poing / Ottersberg.
München: NDB/OMN480953 E0114839 (WGS84, transf.), 249°/4.4 NM to THR 25
Google MapsNDB: DLM, 363 kHz
Outer Marker: Dashes, 75 MHz
Operated H24.
Poing
München: LMMN480816 E0114320 (WGS84, transf.), 249°/0.54 NM to THR 25
Google MapsLocator: MR, 331 kHz
Middle Marker: Dot Dash, 75 MHz
Operated H24.
Nauheim: NDBN502737 E0084601 (WGS84, transf.)
Google MapsDLZ, 408.5 kHz, 100 W
Operated H24.
Near Münzenberg
Neckar: NDBN492008 E0084356 (WGS84, transf.)
Google MapsDLL, 355 kHz
Operated H24.
Between Ochsenbach and Maisbach
Neubiberg: Airfield (Neubiberg Air Base)
Runway 26:
Neubiberg: NDB (GAF)
N480622 E0114755 (WGS84, transf.), 257°/6.05 to field
Google MapsNU, 419 kHz, 45 W
Operated H24.
Vaterstetten
For historical information only, do not use for navigation or aviation purposes!
Nierstein: NDB/Z MarkerN495260 E0082339 (WGS84, transf.)
Google MapsNDB: DLV, 399 kHz
Z Marker: V, 75 MHz
Operated H24, on test.
Nörvenich: Air Base (Düren)
Nörvenich: NDB (civ)
N505005 E0063756 (WGS84, transf.), 170°/0.54 NM to field
Google MapsDHL, 415 kHz
Operated H24.
Nuremberg: Airport (Nürnberg)
Runway 10:
Nürnberg: VORN493125 E0104833 (WGS84, transf.), 102°/10.3 NM to THR 10
Google MapsDDN, 114.9 MHz
Operated H24.
Nürnberg: OM 10N493035 E0105817 (WGS84, transf.), 102°/3.9 NM to THR 10
Google MapsDashes, 75 MHz
Operated on test.
Runway 28:
Nürnberg: LLZ 28N492956 E0110359 (WGS84, transf.)
Google MapsDLN, 109.1 MHz
Operated H24.
Nürnberg: GP 28N492953 E0110533 (WGS84, transf.)
Google Maps331.4 MHz
Glide path 2.8°. Operated H24.
Nürnberg: NDBN492853 E0111512 (WGS84, transf.), 282°/6.18 NM to THR 28
Google MapsDIL, 415 kHz
Operated H24.
Nürnberg: OM 28N492909 E0111142 (WGS84, transf.), 282°/3.9 NM to THR 28
Google MapsDashes, 75 MHz
Operated H24.
Nürnberg: LMMN492940 E0110639 (WGS84, transf.), 282°/0.57° to THR 28
Google MapsLocator: NB, 291.5 kHz
Middle Marker: Dots Dashes, 75 MHz
Operated H24.
Oldenburg: Air Base
Oldenburg: NDB (GAF)
N5311 E00810 (approx.)
Google MapsOL, 338 kHz, 400 W
Operated H24. Maintenance period from 0600 to 0700 daily.
Osnabrück: NDB/Fan MarkerN521203 E0080554 (WGS84, transf.)
Google MapsNDB: DHC, 352.5 kHz
Fan Marker: C, 75 MHz
Operated H24, on test.
Ramstein: Air Base (Landstuhl Air Base, Landstuhl-Ramstein)
Runway 27:
Ramstein: NDB (USAF)
N492635 E0074354 (WGS84, transf.), 271°/4.8 NM to field
Google MapsRL, 362 kHz
Operated H24.
Reichertsheim: NDBN481060 E0121736 (WGS84, transf.)
Google MapsDHR, 294 kHz
Operated H24.
For historical information only, do not use for navigation or aviation purposes!
Rodenberg: NDBN521926 E0092001 (WGS84, transf.)
Google MapsDIA, 305 kHz
Operated H24.
Rottweil: NDBN481225 E0083844 (WGS84, transf.)
Google MapsDHD, 407 kHz
Operated H24.
Rüdesheim: NDB/Fan MarkerN500156 E0075639 (WGS84, transf.)
Google MapsNDB: DLR, 338 kHz, 100 W
Fan Marker: O, 75 MHz
Operated H24.
Salmünster: NDBN501613 E0092540 (WGS84, transf.)
Google MapsDLJ, 276.5 kHz, 100 W
Operated H24.
Schwäbisch Hall: Hessental Army Airfield AAF (Hessental, Camp Dolan, Dolan Barracks, Adolf Würth Airport)
Schwäbisch Hall: NDB (US Army)
N4907 E00947 (approx.)
Google MapsHL, 268 kHz, 50 W
Located at field. Operated H24.
Sembach: Air Base (Sembach Air Base)
Runway 25:
Sembach: NDB (USAF)
N493408 E0080310 (WGS84, transf.), 246°/7.1 NM to field
Google MapsSM, 470 kHz, 100 W
Operated H24.
Söllingen: Air Base (Canadian Forces Base Söllingen, Karlsruhe/Baden-Baden Airport, Baden Söllingen)
Söllingen: NDB (RCAF)
N4846 E00806 (approx.)
Google MapsSB, 442.5 kHz, 100 W
Located at field. Operated H24.
For historical information only, do not use for navigation or aviation purposes!
Spangdahlem: Air Base
Spangdahlem: TACAN (USAF)
228°/9.6 NM
PF, CH102
Operated on test.
Spangdahlem: VOR (USAF)
N4959 E00642 (approx.)
Google MapsPF, 113.9 MHz
Located at field. Operated H24.
Runway 23:
Spangdahlem: NDB (USAF)
N5002 E00647 (approx.), 232°/4.2 NM to field
Google MapsPF, 427.5 kHz, 35 W
Operated H24.
Stade: NDBN533606 E0092609 (WGS84, transf.)
Google MapsDIR, 334 kHz
Operated H24.
Straubing: NDB (US Army)
N4849 E01235 (approx.)
Google MapsSX, 398.5 kHz, 50 W
Located at field. Operated H24.
Stuttgart: Airport, Army Airfield (Echterdingen AAF)
Runway 08:
Stuttgart: OM 08N483948 E0090458 (WGS84, transf.), 078°/4.53 NM to THR 08
Google MapsDashes, 75 MHz
Operated H24.
Runway 26:
Stuttgart: LLZ 26N484100 E0091117 (WGS84, transf.)
Google MapsDLG, 109.9 MHz
Operated H24.
Stuttgart: GP 26333.8 MHz
Operated H24.
Stuttgart: VORN484410 E0092702 (WGS84, transf.), 257°/9.75 NM to THR 26
Google MapsDDG, 112.3 MHz
Operated H24.
Stuttgart: NDBN484235 E0091934 (WGS84, transf.), 258°/4.55 NM to THR 26
Google MapsDLG, 422 kHz
Operated H24.
Stuttgart: OM 26N484235 E0091928 (WGS84, transf.), 258°/4.55 NM to THR 26
Google MapsDashes, 75 MHz
Operated H24.
Stuttgart: LMMN484134 E0091353 (WGS84, transf.), 258°/0.64 NM to THR 26
Google MapsLocator: SG, 306 kHz
Middle Marker: Dots Dashes, 75 MHz
Operated H24.
Sulingen: Fan MarkerN524118 E0084932 (WGS84, transf.)
Google MapsS, 75 MHz
Operated on test.
Westerland: Airport Sylt (RAF Sylt)
Sylt: NDB (RAF)
N5455 E00820 (approx.), 015°/1.0 NM to airfield
Google MapsSL, 286 kHz, 200 W
Operated Monday to Friday from sunrise-30 to sunset+30, Saturday from sunrise-30 to 1100.
Tölz: NDB/Fan Marker (civ)
N474612 E0113855 (WGS84, transf.), 261°/2.0 NM to Bad Tölz Army Airfield
Google MapsNDB: DHJ, 351 kHz
Fan Marker: J, 75 MHz
Operated H24.
For historical information only, do not use for navigation or aviation purposes!
Walda: NDB/Fan MarkerN483453 E0110702 (WGS84, transf.)
Google MapsNDB: DHQ, 393.5 kHz
Fan Marker: M, 75 MHz
Operated H24.
Warburg: NDBN512911 E0090532 (WGS84, transf.)
Google MapsDLX, 374.5 kHz
Operated H24.
Warburg: VORN513021 E0090639 (WGS84, transf.)
Google MapsDDE, 113.4 MHz
Operated H24.
Wentorf: Fan MarkerN532816 E0102118 (WGS84, transf.)
Google MapsW, 75 MHz
Operated H24.
Weser: NDB/Fan MarkerN532025 E0084901 (WGS84, transf.)
Google MapsNDB: DID, 275 kHz
Fan Marker: D, 75 MHz
Operated H24.
Wiesbaden: Range/Z Marker (civ)
N501160 E0081660 (WGS84, transf.)
Google MapsRange: WB, 331 kHz
Z Marker: 75 MHz
The four predefined courses to the Range were 053°A, 144°N, 233°A and 324°N. Operated H24. Giebelstadt NDB interfereing in northwestern quadrant.
Wiesbaden: Air Base, Army Airfield (Erbenheim)
Runway 26:
Wiesbaden: Marxheim NDB260°/3.0 NM to THR 26
See Marxheim NDB.
Wildenrath: Royal Air Force Base
Wildenrath: Eureka (RAF)
N5107 E00613 (approx.)
Google MapsWI, 228T/218R MHz
Maintenance period every Friday from 0900 to 1100 and last Friday of each month from 0700 to 1100.
Wildenrath: NDB (RAF)
N5107 E00612 (approx.)
Google MapsWI, 269 kHz, 50 W
Located at field. Operated H24.
Wunstorf: Air Base (Kleinheidorn)
Wunstorf: NDB (GAF)
N5228 E00925 (approx.), 177°/0.7 NM to field
Google MapsWF, 419 kHz, 75 W
Operated Monday to Friday from 0700 to 1600, Saturday from 0700 to 1100. On test.
For historical information only, do not use for navigation or aviation purposes!
Würzburg: NDB/Fan MarkerN494359 E0095717 (WGS84, transf.), 342°/6.3 to Würzburg airfield
Google MapsNDB: DIK, 377 kHz
Fan Marker: K, 75 MHz
Operated H24.
Zweibrücken: Air Base
Zweibrücken: NDB (RCAF)
N4913 E00725 (approx.)
Google MapsXP, 343 kHz, 100 W
Located at field. Operated H24.
For historical information only, do not use for navigation or aviation purposes!